Замок врезной сувальдный с задвижкой ЗВ8 152.1.0 с тягами (без лицевой планки), 5 кл.
ВСЕГДА АКТУАЛЬНЫЕ ЦЕНЫЦены на нашем сайте всегда актуальные. Для юридических лиц цена не увеличивается!
РЕГИОН ДОСТАВКИМы отправим вашу покупку в любой регион России в течение 3-х дней
ГАРАНТИЯ И КАЧЕСТВОМы сами передаем некачественный товар производителям на всем протяжении гарантийного периода
УДОБНАЯ ОПЛАТАОплатите покупку онлайн, картой, наличными курьеру или по счету для для юридических лицОписание
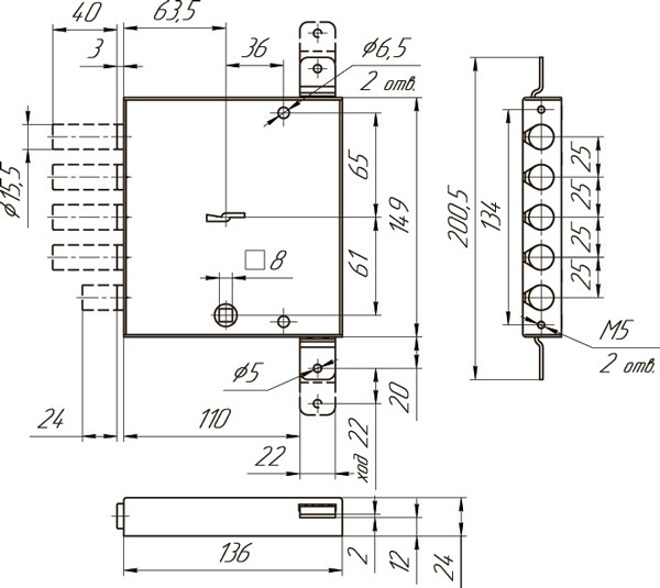
Вкладной сувальдный замок ЗВ8 152.1.0 с задвижкой и приводом вертикальных тяг сертифицирован в соответствии с 3-м классом безопасности по ГОСТ (две из пяти сувальд снабжены ложными пазами). Предназначен для установки во входные двери всех типов. Рекомендуется к применению в металлических дверях, в т.ч. укрепленных. Замок монтируется в дверь методом «вкладывание». Замок запирает дверь четырьмя стальными ригелями и задвижкой. Диаметр ригелей засова и задвижки - 16 мм. Ригели выдвигаются из корпуса замка на 40 мм и 24 мм. В одном из ригелей расположен закаленный стальной стержень, обеспечивающий надежную защиту от перепиливания. При помощи данного замка дверь запирается на четыре полных оборота (возможно неполное запирание двери на два оборота), а также дополнительно изнутри - на задвижку. Вертикальные тяги обеспечивают дополнительное запирание двери в направлении вверх-вниз. Модель комплектуется пятью латунными ключами и двумя декоративными накладками из нержавеющей стали (по одной для внешней и внутренней сторон двери), а также поворотной ручкой для приведения в действие механизма задвижки. Замок не предусматривает наличие защелки, поэтому рекомендуется в качестве второго запирающего устройства двери.
Характеристики
Штрих-код индивидуальной упаковки
1500000000219
Рекомендуемые товары
15296, 23747, 27717, 27851
Цвет
никель
Габариты упаковки товара высота мм
30
Габариты упаковки товара ширина мм
160
Габариты упаковки товара длина мм
140
Способ установки
Врезной
Тип упаковки
Пакет
Вес товара
1.9 кг
Производитель
МЕТТЭМ
Материал
Сталь
Межосевое расстояние
-
Вылет ригеля
40 мм
Количество комбинаций
более 15000
Количество ключей
5
Класс безопасности
3
Тип механизма секретности
Сувальдный
Бэксет (удаление ключевого отверстия)
63,5 мм
Размер ригеля
16 мм
Количество ригелей
4
Наличие лицевой планки
Без планки
Наличие выводов для тяг
Да
Длина ключа
40 мм
Тип замка
Дополнительный (верхний)
Отверстия под стяжки
Нет
Тип защелки
-
Задвижка
Есть
Защита от копирования ключа
Нет
Дополнительная защита
Защита от перепиливания
Толщина двери
30-100 мм
Отзывы



































































