Замок врезной сувальдный ЗВ8 165.0.0, 4 кл. (ключ 60 мм)
ВСЕГДА АКТУАЛЬНЫЕ ЦЕНЫЦены на нашем сайте всегда актуальные. Для юридических лиц цена не увеличивается!
РЕГИОН ДОСТАВКИМы отправим вашу покупку в любой регион России в течение 3-х дней
ГАРАНТИЯ И КАЧЕСТВОМы сами передаем некачественный товар производителям на всем протяжении гарантийного периода
УДОБНАЯ ОПЛАТАОплатите покупку онлайн, картой, наличными курьеру или по счету для для юридических лицОписание
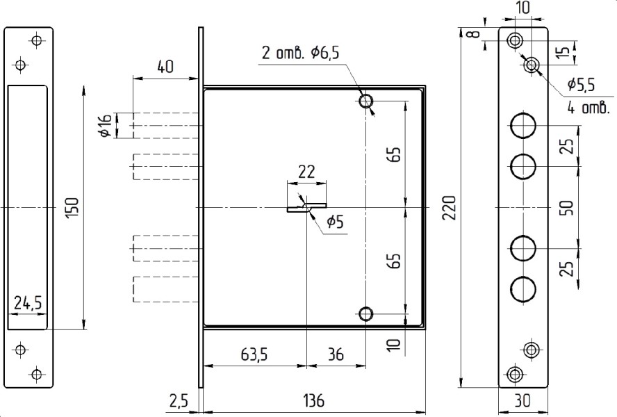
Замок врезной сувальдный ЗВ8 160.0.0 сертифицирован в соответствии с 3-м классом безопасности по ГОСТ. Подходит для установки во входные двери всех типов, в т.ч. укрепленные (бронированные). Замок запирает дверь четырьмя стальными ригелями диаметром 16 мм, которые выдвигаются из корпуса замка на 40 мм. В одном из ригелей расположен закаленный стальной стержень, обеспечивающий надежную защиту от перепиливания. Модель комплектуется четырьмя латунными ключами длиной 60 мм, лицевой планкой и декоративными накладками из нержавеющей стали. Замок не имеет защелки, поэтому рекомендуется в качестве второго запирающего устройства двери.
Характеристики
Штрих-код индивидуальной упаковки
4607160542782
Рекомендуемые товары
22191, 97, 32395, 27293, 22191
Цвет
никель
Габариты упаковки товара высота мм
30
Габариты упаковки товара ширина мм
220
Габариты упаковки товара длина мм
140
Способ установки
Врезной
Тип упаковки
Коробка
Вес товара
1.52 кг
Производитель
МЕТТЭМ
Материал
Сталь
Межосевое расстояние
-
Вылет ригеля
40 мм
Количество комбинаций
более 1000
Количество ключей
4
Класс безопасности
2
Тип механизма секретности
Сувальдный
Бэксет (удаление ключевого отверстия)
63,5 мм
Размер ригеля
16 мм
Количество ригелей
4
Наличие лицевой планки
С планкой
Наличие выводов для тяг
Нет
Длина ключа
60 мм (от головки до бородки)
Тип замка
Дополнительный (верхний)
Отверстия под стяжки
Есть
Тип защелки
-
Задвижка
Нет
Защита от копирования ключа
Нет
Дополнительная защита
-
Толщина двери
30-100 мм
Отзывы



































































