Замок врезной сувальдный ЗВ8 141.1.0 с тягами (ЗВСП-2Т-1) L-16, 5 кл.
ВСЕГДА АКТУАЛЬНЫЕ ЦЕНЫЦены на нашем сайте всегда актуальные. Для юридических лиц цена не увеличивается!
РЕГИОН ДОСТАВКИМы отправим вашу покупку в любой регион России в течение 3-х дней
ГАРАНТИЯ И КАЧЕСТВОМы сами передаем некачественный товар производителям на всем протяжении гарантийного периода
УДОБНАЯ ОПЛАТАОплатите покупку онлайн, картой, наличными курьеру или по счету для для юридических лицОписание
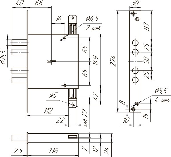
ЗВ8 141.1.0 - Замок врезной сувальдный нижний. Замок серии Классика - один из самых популярных, проверенных веременем замков. Сертифицирован в соответствии с 3 классом безопастности. Характеризуется оптимальным соотношением цены и качества. Имеет широкий спектр применения - от укрепленных металлических до обычных деревянных дверей.
Характеристики
Штрих-код индивидуальной упаковки
4607160543000
Рекомендуемые товары
30355, 29999
Цвет
никель
Габариты упаковки товара высота мм
40
Габариты упаковки товара ширина мм
272
Габариты упаковки товара длина мм
143
Способ установки
Врезной
Тип упаковки
Пакет
Вес товара
1.73 кг
Производитель
МЕТТЭМ
Материал
Сталь
Межосевое расстояние
-
Вылет ригеля
40 мм
Количество комбинаций
более 15000
Количество ключей
5
Класс безопасности
3
Тип механизма секретности
Сувальдный
Бэксет (удаление ключевого отверстия)
66 мм
Размер ригеля
15,5 мм
Количество ригелей
4
Наличие лицевой планки
С планкой
Наличие выводов для тяг
Да
Длина ключа
40 мм
Тип замка
Дополнительный (верхний)
Отверстия под стяжки
Нет
Тип защелки
-
Задвижка
Нет
Защита от копирования ключа
Нет
Дополнительная защита
-
Толщина двери
30-100 мм
Отзывы



































































