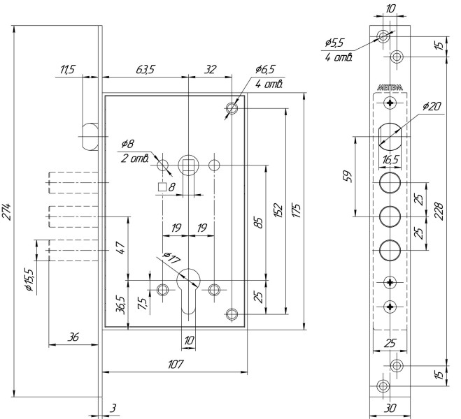
Балашиха ЗВ4 713.0.0 ЗЩ б/о без ц/м, м/о 85 мм Замок врезной б/ручек(10)
ВСЕГДА АКТУАЛЬНЫЕ ЦЕНЫЦены на нашем сайте всегда актуальные. Для юридических лиц цена не увеличивается!
РЕГИОН ДОСТАВКИМы отправим вашу покупку в любой регион России в течение 3-х дней
ГАРАНТИЯ И КАЧЕСТВОМы сами передаем некачественный товар производителям на всем протяжении гарантийного периода
УДОБНАЯ ОПЛАТАОплатите покупку онлайн, картой, наличными курьеру или по счету для для юридических лицХарактеристики
Цвет
черный
Страна производства
РОССИЯ
Вес товара
1390 г
Производитель
МЕТТЭМ г.Балашиха
Тип двери
Противопожарные и технические
Материал
Сталь
Гарантия
2 года
Межосевое расстояние
85 мм
Тип механизма секретности
Цилиндровый
Размер ригеля
15,5 мм
Количество ригелей
3
Класс секретности
4 класс
Удаление ключевого отверстия (Backset)
63,5 мм
Форма ригелей
Круглый
Наличие ответной планки
Нет
Индивидуальная упаковка
Пакет
Отзывы



















































































