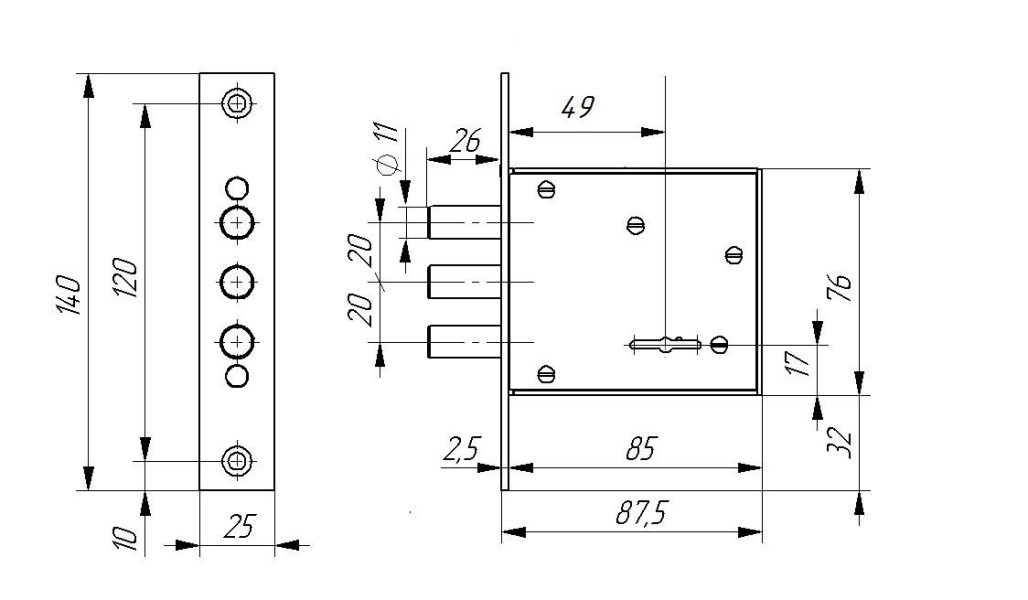
Д-град Зенит ЗВ 8-6.1 трехриг. Замок врезной б/руч (20)
ВСЕГДА АКТУАЛЬНЫЕ ЦЕНЫЦены на нашем сайте всегда актуальные. Для юридических лиц цена не увеличивается!
РЕГИОН ДОСТАВКИМы отправим вашу покупку в любой регион России в течение 3-х дней
ГАРАНТИЯ И КАЧЕСТВОМы сами передаем некачественный товар производителям на всем протяжении гарантийного периода
УДОБНАЯ ОПЛАТАОплатите покупку онлайн, картой, наличными курьеру или по счету для для юридических лицХарактеристики
Страна производства
РОССИЯ
Вес товара
720 г
Производитель
Зенит г.Димитровград
Тип двери
Деревянные и легкие металические двери
Гарантия
2 года
Количество ключей
4
Тип механизма секретности
Сувальдный
Размер ригеля
11 мм
Количество ригелей
3
Класс секретности
2 класс
Удаление ключевого отверстия (Backset)
55 мм
Форма ригелей
Круглый
Наличие ответной планки
Да
Индивидуальная упаковка
Коробка
Отзывы



















































































