Д-град Зенит ЗВ7-60-01 хром Замок врезной с/руч (15)
ВСЕГДА АКТУАЛЬНЫЕ ЦЕНЫЦены на нашем сайте всегда актуальные. Для юридических лиц цена не увеличивается!
РЕГИОН ДОСТАВКИМы отправим вашу покупку в любой регион России в течение 3-х дней
ГАРАНТИЯ И КАЧЕСТВОМы сами передаем некачественный товар производителям на всем протяжении гарантийного периода
УДОБНАЯ ОПЛАТАОплатите покупку онлайн, картой, наличными курьеру или по счету для для юридических лицХарактеристики
Цвет
Хром
Страна производства
РОССИЯ
Вес товара
1000 г
Производитель
Зенит г.Димитровград
Тип двери
Деревянные и межкомнатные
Гарантия
2 года
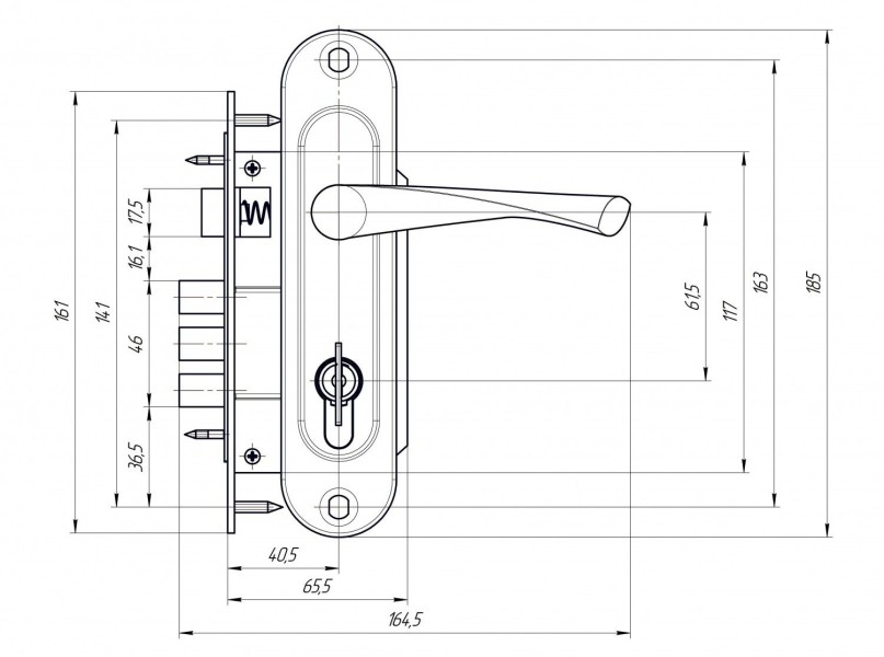
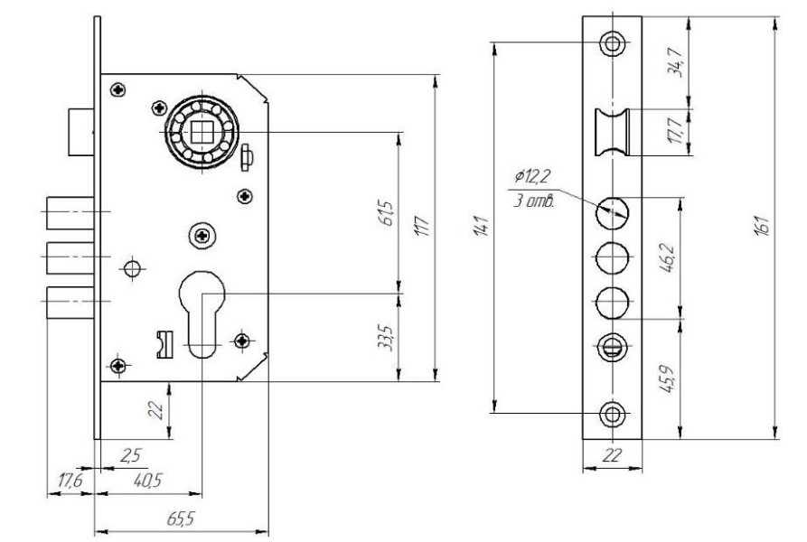
Межосевое расстояние
61,5 мм
Количество ключей
5
Тип механизма секретности
Цилиндровый, английский ключ
Размер ригеля
12,2 мм
Количество ригелей
3
Класс секретности
2 класс
Удаление ключевого отверстия (Backset)
40,5 мм
Форма ригелей
Круглый
Наличие ответной планки
Да
Индивидуальная упаковка
Коробка
Отзывы



















































































