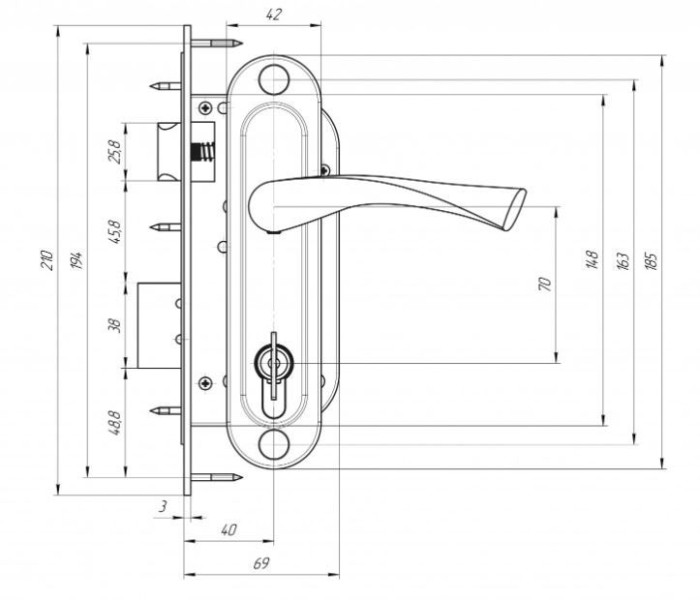
Д-град Зенит ЗВ7-70.4-02 золото-лак Замок врезной с/руч (15)
ВСЕГДА АКТУАЛЬНЫЕ ЦЕНЫЦены на нашем сайте всегда актуальные. Для юридических лиц цена не увеличивается!
РЕГИОН ДОСТАВКИМы отправим вашу покупку в любой регион России в течение 3-х дней
ГАРАНТИЯ И КАЧЕСТВОМы сами передаем некачественный товар производителям на всем протяжении гарантийного периода
УДОБНАЯ ОПЛАТАОплатите покупку онлайн, картой, наличными курьеру или по счету для для юридических лицХарактеристики
Цвет
Золото-лак
Страна производства
РОССИЯ
Вес товара
1081 г
Производитель
Зенит г.Димитровград
Тип двери
Деревянные и межкомнатные
Гарантия
2 года
Межосевое расстояние
70 мм
Количество ключей
5
Тип механизма секретности
Цилиндровый, английский ключ
Размер ригеля
20х38 мм
Количество ригелей
1
Класс секретности
2 класс
Удаление ключевого отверстия (Backset)
40 мм
Форма ригелей
Прямоугольный
Наличие ответной планки
Да
Индивидуальная упаковка
Коробка
Отзывы





















































































