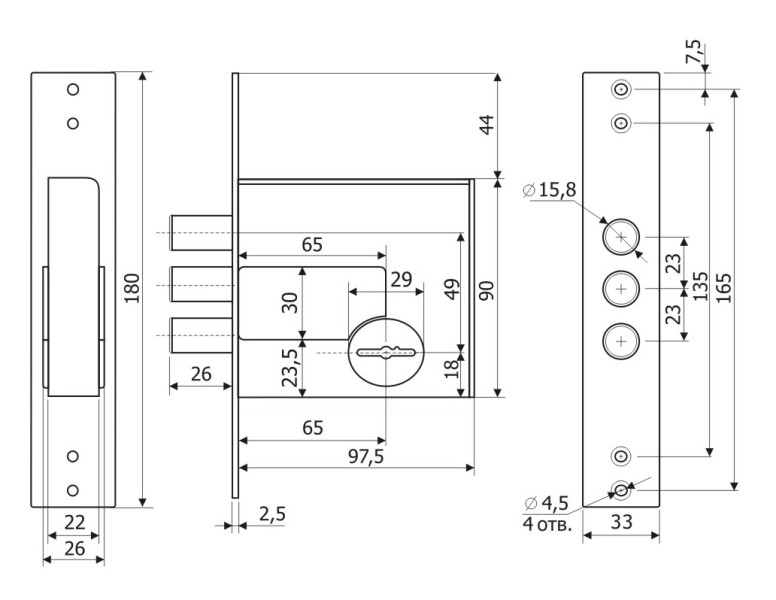
Гардиан 50.01 4кл б/о б/накл Замок врезной б/руч (20)
ВСЕГДА АКТУАЛЬНЫЕ ЦЕНЫЦены на нашем сайте всегда актуальные. Для юридических лиц цена не увеличивается!
РЕГИОН ДОСТАВКИМы отправим вашу покупку в любой регион России в течение 3-х дней
ГАРАНТИЯ И КАЧЕСТВОМы сами передаем некачественный товар производителям на всем протяжении гарантийного периода
УДОБНАЯ ОПЛАТАОплатите покупку онлайн, картой, наличными курьеру или по счету для для юридических лицХарактеристики
Страна производства
РОССИЯ
Вес товара
1100 г
Производитель
Гардиан г.Йошкар-Ола
Тип двери
Металлические
Материал
Сталь оцинкованная
Гарантия
5 лет
Количество ключей
4
Тип механизма секретности
Сувальдный
Размер ригеля
15,8 мм
Количество ригелей
3
Класс секретности
4 класс
Удаление ключевого отверстия (Backset)
65 мм
Толщина дверного полотна
40-75 мм
Форма ригелей
Круглый
Отзывы



















































































