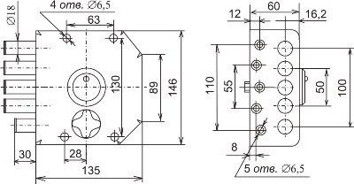
Сенат ЗНСЗ-4 3кл Ит б/о (ЗНСЗ 3-3) 097 Замок накладной тяж (6)
ВСЕГДА АКТУАЛЬНЫЕ ЦЕНЫЦены на нашем сайте всегда актуальные. Для юридических лиц цена не увеличивается!
РЕГИОН ДОСТАВКИМы отправим вашу покупку в любой регион России в течение 3-х дней
ГАРАНТИЯ И КАЧЕСТВОМы сами передаем некачественный товар производителям на всем протяжении гарантийного периода
УДОБНАЯ ОПЛАТАОплатите покупку онлайн, картой, наличными курьеру или по счету для для юридических лицХарактеристики
Цвет
Антик медь
Страна производства
РОССИЯ
Вес товара
1910 г
Производитель
Сенат г.Новосибирск
Тип двери
Металлические
Материал
Сталь
Гарантия
2 года
Количество ключей
3
Тип механизма секретности
Сувальдный
Размер ригеля
18 мм
Количество ригелей
4
Класс секретности
4 класс
Удаление ключевого отверстия (Backset)
64 мм
Форма ригелей
Круглый
Наличие ответной планки
Нет
Индивидуальная упаковка
Пакет
Отзывы

















































































