DORMA TS 93 B EN 5-7 дверной доводчик (корпус доводчика с монтажной пластиной, без тяги)
ВСЕГДА АКТУАЛЬНЫЕ ЦЕНЫЦены на нашем сайте всегда актуальные. Для юридических лиц цена не увеличивается!
РЕГИОН ДОСТАВКИМы отправим вашу покупку в любой регион России в течение 3-х дней
ГАРАНТИЯ И КАЧЕСТВОМы сами передаем некачественный товар производителям на всем протяжении гарантийного периода
УДОБНАЯ ОПЛАТАОплатите покупку онлайн, картой, наличными курьеру или по счету для для юридических лицДверной доводчик DORMA TS 93 B - эстетичный и элегантный доводчик с непревзойденным удобством пользования. Подходит для тяжелых левых и правых дверей шириной до 1600 мм и весом до 250 кг . В доводчик TS 93 встроены две функции - торможение открывания и задержка закрывания
Торможение открывания BC (back check) - Начиная с угла примерно в 70°, функция торможения открывания служит для предотвращения избыточно резкого открывания, вызванного, на пример, порывом ветра. Это позволяет предохранить от повреждений как саму дверь, так и стену за ней.

Задержка закрывания DC (delayed closing) - Функция задержки закрывания позволяет замедлить закрывания двери на углах от 120° до 70°. Это позволяет беспрепятственно пронести габаритные грузы или прокатить медицинскую тележку.

DORMA TS 93 имеет две модификации TS 93 B и TS 93 G:
Модификация доводчика DORMA TS 93 B устанавливается на дверь двумя способами:
1.на полотно двери со стороны петель

2.на дверную раму (коробку) с противоположной стороны петлям (в этом случае максимальный угол открывания двери может быть от 120° до 145°)

DORMA TS 93 имеет регулируемое усилие EN 2-5, подходит для левых и правых дверей шириной от 700 до 1250 мм. В комплекте с доводчиком имеется монтажная пластина с универсальным набором отверстий, что позволяет без проблем устанавливать доводчик TS 93
Будьте внимательны! Скользящий канал для довдчика TS 93 не входит в комплект доводчика, его необходимо заказывать отдельно.
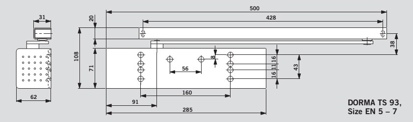
ТЕХНИЧЕСКИЕ ДАННЫЕ
- Размеры корпуса 285*71*62
- Масса доводчика (кг) 5,5
- Сила закрывания EN 5-7
- Подходит для левых и правых дверей
- Максимальная ширина двери 1600 мм
- Рычаг - скользящий канал (приобретается отдельно)
- Монтажная пластина с универсальным набором отверстий
- Плавная регулировка скорости закрывания в диапазоне 180° - 15°
- Плавная регулировка скорости дохлопа в диапазоне 15° - 0°
- Регулировка задержки закрывания по времени (DC)
- Регулируемый амортизатор открывания (BC)
- Ограничитель угла открывания регулируемый - опция
- Фиксация открытого положения (ФОП) с возможностью отключения — опция
- Цвет (артикул): белый RAL9016 (43520011), белый RAL9010 (43520010), серебро (43520001)
- Гарантия 1 год







































































































