Рязань ЗВ 4-3/85К б/о без ЦМ м/о 85мм 79059 Замок врезной тяжелый (12)
ВСЕГДА АКТУАЛЬНЫЕ ЦЕНЫЦены на нашем сайте всегда актуальные. Для юридических лиц цена не увеличивается!
РЕГИОН ДОСТАВКИМы отправим вашу покупку в любой регион России в течение 3-х дней
ГАРАНТИЯ И КАЧЕСТВОМы сами передаем некачественный товар производителям на всем протяжении гарантийного периода
УДОБНАЯ ОПЛАТАОплатите покупку онлайн, картой, наличными курьеру или по счету для для юридических лицХарактеристики
Страна производства
РОССИЯ
Вес товара
1100 г
Производитель
Просам г.Рязань
Тип двери
Деревянные и металлические
Гарантия
7 лет
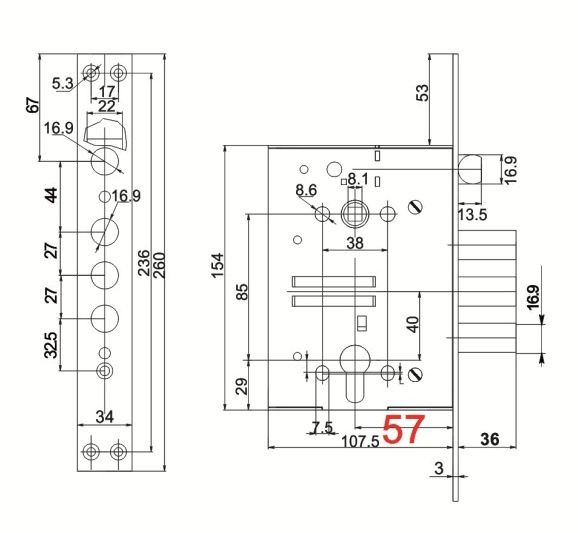
Межосевое расстояние
85 мм
Тип механизма секретности
без ц/м
Размер ригеля
16,8 мм
Количество ригелей
3
Класс секретности
4 класс
Удаление ключевого отверстия (Backset)
57 мм
Форма ригелей
Круглый
Наличие ответной планки
Нет
Индивидуальная упаковка
Пакет
Отзывы



















































































