Пороги автоматические
ФИЛЬТР ТОВАРОВ
Популярные товары
Цилиндр для замка DORMA серия CBF-1 (ключ-ключ)473 ₽/шт.
DORMA TS 77 EN 4 (дверной доводчик в комплекте с рычагом)1 715 ₽/шт.2 304 ₽/шт.
Ручки dormakaba BREMEN 30 мм для профильных дверей1 004 ₽/шт.Помощь
+7 499 506-91-76
Отдел продаж
Если у Вас возникли вопросы по товару или оформлению заказа, обратитесь по указанным контактам.
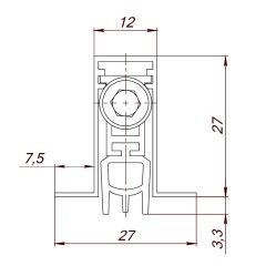
14/28/42/56
АВТОМАТИЧЕСКИЕ ВЫДВИЖНЫЕ ПОРОГИ
Автоматические выпадающие пороги разработаны как отличная альтернатива деревянным порогам. Они защищают от запахов, сквозняков, шума, дыма и света, при этом, позволяют беспрепятственно передвигаться, упрощают уборку, не портят внешний вид напольных покрытий и не изнашиваются. А в случае наличия угла наклона или неровностей, «умный порог» сам регулируется относительно пола.























































































































